TM1628是一种带键盘扫描接口LED驱动控制专用IC,内部集成了MCU,数字接口,数据锁存器,LED驱动,键盘扫描等电路。该产品抗干扰能力强,稳定性好。主要适用于家电设备(智能热水器,微波炉,洗衣机,空调,电磁炉)机顶盒,电子秤,智能水表等数码管或LED显示设备。
封装图如下:

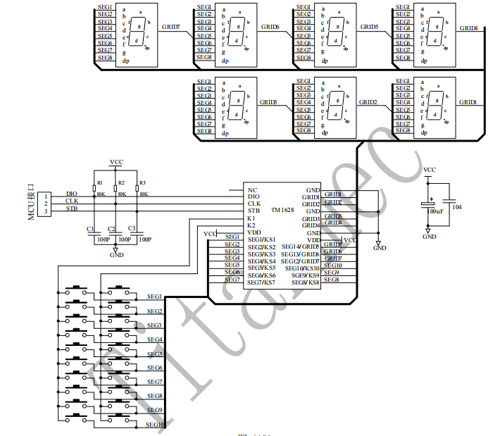
典型应用电路如下:

设计流程图如下:

以上信息由深圳市桑尼奇科技有限公司提供,原装现货,欢迎交流。联系人:戴先生,QQ:3246409476 TEL:13028820229 同时我司还是代理国内华存品牌EMMC,在多个主控平台上验证测试过。也是普冉品牌SPI FLASH的代理商。在FPC模组行业大批量供货。也是瑞纳杰MCU的代理商。有方4G模块的代理。
评论列表: